Web Analytics Made Easy - Statcounter
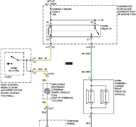
Yamaha Razz Wiring Diagram: Fix Electrical Issues Fast!

Yamaha Razz Wiring Diagram: Fix Electrical Issues Fast!

Yamaha Razz Wiring Diagram: Fix Electrical Issues Fast! Step-by-step guide: understanding and using a 50cc wiring diagram